三菱伺服放大器MR-JE-100A往復絕對定位出現偏差的處理辦法
近日有客戶向海藍機電技術部問了一個關于三菱伺服定位的問題,小編覺得比較經典,便將其分享與諸位小伙伴。問題的具體描述為:“三菱伺服放大器MR-JE-100A往復絕對定位出現偏差,該如何處理解決?”下面我司技術人員對此問題的解答,希望大家能做個了解!
造成三菱伺服放大器MR-JE-100A絕對定位偏差的原因分析:客戶采用了三菱絕對定位指令DDRVA從A到B,然后通過指令執行結束標志位M8029進入下一步伺服從B到A的定位,往復定位運行便出現了三菱伺服放大器JE-100A往復絕對定位偏差的現象;實際上指令執行結束標志位M8029只能判斷脈沖發送結束,然而實際上三菱伺服電機定位并沒有定位到位。
解決方法:1、需要提高三菱伺服放大器MR-JE-100A的響應性,將三菱伺服參數PA09設為20;
2、將三菱伺服定位完成信號INP采集作為啟動定位條件;
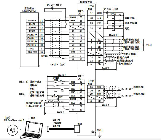
3、將三菱伺服定位完成信號INP(24號引腳)接PLC X端,意思表示三菱伺服定位完成后給PLC一個信號!
按照上面三個步驟操作完成后,三菱伺服放大器MR-JE-100A往復絕對定位的偏差將會消失,三菱伺服定位也就恢復正常狀態了!此篇文章最終解釋權為海藍機電技術部所有,如有疑問或不解之處,歡迎在海藍官網向我司技術人員進行咨詢!




評論信息